Navigation

Inhaltsbereich

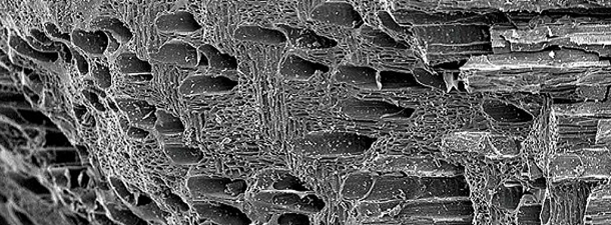
Mikroskopische Struktur Holzkohle
 

Pyrolyse, Vergasung und Verkohlung sind thermochemische Verfahren zur Umwandlung eines festen Brennstoffs. Die Verfahren haben unterschiedliche Produkte zum Ziel. Die Anlagen werden zur Produktion von Strom und Nutzwärme oder Pflanzenkohle eingesetzt.

Köhlerei.Der Betrieb von Köhlereien wird nur in Zusammenhang mit Brauchtums-Anlässen erlaubt. Gesuche für neuartige Anlässe oder Events werden grundsätzlich nicht bewilligt.

Konversionsreaktor.Der Überbegriff Konversionsreaktor (oder kurz: Reaktor) wird für verschiedenste Verfahren verwendet, die zusätzlich zum Hauptprodukt auch Nebenprodukte (z. B. Abfall) produzieren.

Pyrolyse oder Vergasung.Die Konversionsreaktoren für die verschiedenen Prozesse weisen Ähnlichkeiten auf. Da zudem die Betriebsweise der Anlagen von Aussen meist nicht erkennbar ist, ist die Unterscheidung zwischen einem Pyrolyse- und einem Vergasungsreaktor ohne Kenntnis der Betriebsparameter nicht immer möglich.

Gasfackel. Anlagen mit Gasmotor verfügen für den Anfahr- und Notbetrieb über eine Gasfackel, Anlagen mit Feuerung (bzw. Brennkammer) üblicherweise nicht.

Anlagen-Klassierung, Grenzwerte und Brennstoffe

Für die Einteilung der Anlagen nach Luftreinhalte-Verordnung wird unterschieden, ob das Produktgas in einer Feuerung oder in einem Gasmotor genutzt wird. Welches Brennstoffsortiment (Inputmaterial) eingesetzt werden kann, hängt sowohl vom Konversionsreaktor als auch von der Betriebsbewilligung ab.

EBC-Zertifikat

Zur Verwendung von Pflanzenkohle in der Landwirtschaft oder als Handelsprodukt sind niedrige Gehalte an Schadstoffen (insbesondere an Schwermetallen und polyzyklischen aromatischen Kohlenwasserstoffen, PAK) sicher zu stellen. Für eine entsprechende Qualitätskontrolle steht in Europa als Industriestandard das European Biomass Certificate (EBC) zur Verfügung. Beim Betrieb von Biomasse-Vergasern zum Antrieb von Verbrennungsmotoren erfüllt die Pflanzenkohle diese Anforderungen für eine stoffliche Nutzung mehrheitlich nicht.